PRO консультанты
Профессиональный подбор оборудования и аксессуаров
Большой ассортимент
Клинингового оборудования, аксессуаров и запчастей
Сервисная служба
Сервис и обслуживание по всей России
Доставка по России
Доставляем по России - оперативно в любую точку
Описание
Отзывы
Описание
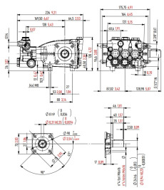
TOR MOHP1520RN насос (помпа) MN2124 высокого давления, используемый для разнообразной очистки посредством давления воды, является полноценным технологическим аналогом модели помпы HAWK (Италия) из серии NMT (Nickel).
Конструкция данного насоса включает литой корпус с головой, изготовленной из кованной латуни и покрытой никелем. Внутренние элементы состоят из поршней с керамическим покрытием, кованого коленчатого вала, цельных шатунов и клапанов из нержавеющей стали. Плунжеры имеют диаметр 20 мм.
Насосы серии MOHP в исполнении с никелевым покрытием (N) обладают такой же силой и мощностью, как и стандартная серия MOHP, однако они особенно хорошо приспособлены для сложных и продолжительных задач.
Особенности:
- Рабочее давление воды до 200 бар
- Голова помпы из кованной латуни с никелированным покрытием
- Температура рабочей среды — до 65 градусов Цельсия
- Совместимость с разнообразной клининговой техникой, в том числе моечными туннелями
- Применение качественных материалов и высокая точность сборки, что обеспечивает долговечность TOR серии MOHP1520RN
Характеристики
Общие хар-ки
Бренд
Страна бренда
Китай
Тип насоса
плунжерный
Габариты, ДхШхВ
30 × 25 × 20 см
Вес
9.5 кг
Материал
латунь
Диаметр вала насоса
24 мм
Технические хар-ки
Тип привода насоса
без привода
Рабочее давление (бар)
200
Частота вращения вала (об/мин)
1450
Поток воды (л/час)
900
Максимальная температура воды на входе (С°)
40
Мощность привода
5.7 Вт
Спец. особенности насоса
никелированное покрытие
Тип вала насоса
внешний гладкий
Сторона выхода вала
правый
Встроенный регулятор
нет
Отзывов ещё нет — ваш может стать первым.
Все отзывы 0
Подборки товаров в категории

















