Екатеринбург
Доставка
Оплата
Возврат
Гарантия и сервис
Лизинг оборудования
Адреса и контакты
Ещё
Доставка
Оплата
Возврат
Гарантия и сервис
Лизинг оборудования
Адреса и контакты
8 (343) 302-12-42
Заказать звонок
Режим работы:
Пн-Пт 11:00-20:00
Адрес:
Екатеринбург, Черняховского, 86
Email:
info@ru-clean.ru
Соцсети и мессенджеры:
Екатеринбург, Черняховского, 86
Каталог
Войти
0
Сравнение
0
Избранное
0
Корзина
Акции
Бренды
Мойки высокого давления
Поломоечные машины
Профессиональные пылесосы
Насосы высокого давления
РВД
Тяговые аккумуляторы
Пищевой инвентарь
Клининговое оборудование
Мойки высокого давления
Бытовые минимойки
Профессиональные мойки высокого давления
Мойки высокого давления без нагрева воды
Мойки высокого давления с подогревом воды
Стационарные аппараты высокого давления
Автономные мойки высокого давления
Бойлеры высокого давления
Гидродинамические машины
Гидродинамические машины с электрическим двигателем
Автономные гидродинамические машины
Запчасти для моек высокого давления
Ремкомплекты
Пистолеты высокого давления
Рукава высокого давления
Регуляторы давления и клапаны
Копья и насадки
Пенные насадки
Пенокомплекты
Турбофрезы
Пескоструйные насадки
Насадки для мойки емкостей
Краны
Быстроразъемные соединения
Резьбовые переходники
Форсунки и сопла
Манометры
Фильтры для воды
Гидрокомпенсаторы
Змеевики
Электромоторы
Редукторы
Муфты и колокола
Электрика и датчики
Прочие запчасти для моек высокого давления
Поломоечные машины
Сетевые поломоечные машины
Аккумуляторные поломоечные машины
Поломоечные машины с сиденьем оператора
Ковромоечные машины
Машины для чистки эскалаторов
Однодисковые машины
Низкооборотистые полотеры
Высокооборотистые полотеры
Двухскоростные полотеры
Щетки для поломоечных машин
Стяжки и балки
Средства для поломоечных машин
Подметальные машины
Механические подметальные машины
Аккумуляторные подметальные машины
Подметальные машины с сиденьем
Бензиновые подметальные машины
Профессиональные пылесосы
Пылесосы для сухой уборки
Пылеводососы для сухой и влажной уборки
Пылеводососы для автомобиля
Строительные пылеводососы
Промышленные пылеводососы
Моющие (экстракторы) пылесосы
Строительные пылесосы
Пылесосы для электроинструмента
Промышленные пылесосы
Взрывозащищенные пылесосы
Паровые пылесосы
Ранцевые пылесосы
Щеточные пылесосы
Пылесосы-стеклоочистители
Садовые пылесосы
Парогенераторы
Бытовые парогенераторы
Профессиональные парогенераторы
Пенное оборудование
Пеногенераторы
Пеногенераторы из нержавеющей стали
Окрашенные пеногенераторы
Пластмассовые пеногенераторы
Спрейеры
Пенные станции
Пенные насадки и пенокомплекты
Пенные инжекторы
Снегоуборщики
Все для автомоек
Пылесосы для автомоек
Экстракторы
Парогенераторы для химчистки
Пеногенераторы для автомоек
Дозаторы
Очистные сооружения
Поворотные консоли
Копья и насадки
Держатели
Катушки для автомоек
Распылители для химчистки
Сгоны
Щетки
Распылители
Полки и умывальники
Протирочные материалы
Поплавковые клапаны
Насосное оборудование
Насосы высокого давления
Плунжерные насосы
Аксиальные насосы
Запчасти для насосов
Мембранные насосы
Мембранные насосы низкого давления
Мембранные насосы среднего давления
Мембранные насосы высокого давления
Узлы управления мембранными насосами
Редукторы для мембранных насосов
Аксессуары и запчасти для мембранных насосов
Центробежные насосы
Дозирующие насосы
Мотопомпы
Бензиновые мотопомпы
Дизельные мотопомпы
Насосные станции
Уборочный инвентарь
Пищевой инвентарь
Щетки
Универсальные
Для пола
Для стен
Ёршики
Сгоны
Рукоятки
ПАДы и держатели
Ведра и ковши
Совки
Скребки
Лопаты
Мешалки и весла
Системы хранения
Шланги и пистолеты
Спецодежда
Фартуки
Нарукавники
Перчатки
Прочее
Инвентарь для клининга
Тележки
Одноведерные тележки
Двухведерные тележки
Многофункциональные
Швабры
Насадки и мопы
Щетки и метлы
Держатели и рамки
Ручки и штанги
Ведра
Сгоны и резинки
Отжимы
Скребки
Знаки и таблички
Прочий инвентарь
Рукава высокого давления
Шланги высокого давления
Шланги метрами
Шланги в сборе
Шланги для автомоек
Пищевые шланги
Шланги для Karcher
Шланги для моек самообслуживания
Шланги для канализации
Шланги гайка-гайка
Аксессуары для шлангов
Катушки для шлангов
Катушки высокого давления
Катушки для воздушного шланга
Аксессуары для барабанов
Фитинги высокого давления
Фитинги BSP
Фитинги DKO-L
Фитинги DKO-S
Фитинги JIS
Фитинги JIC
Фитинги DKI
Фитинги DKM
Фитинги SFL (3000)
Фитинги SFS (6000)
Фитинги NPTF
Фитинги ORFS
Фитинги DK
Фитинги Banjo
Фитинги DKF-W
Комплекты фитингов
Муфты обжимные
Ремонтные фитинги
Прочие фитинги
Аккумуляторы и электроснабжение
Тяговые аккумуляторы
Аккумуляторы для поломоечных машин
Аккумуляторы для гольфкаров
Аккумуляторы для погрузчиков
Лодочные аккумуляторы
Аккумуляторы для колясок
Зарядные устройства
Зарядки для поломоечных машин
Для складской техники
Аккумуляторы для ИБП
Электрический транспорт
Грузовые трициклы
Пассажирские трициклы
Грузовые электротележки
Гольфкары
Электровелосипеды
Электроскутеры
Тяговые аккумуляторы
Аккумуляторы для поломоечных машин
Аккумуляторы для гольфкаров
Аккумуляторы для погрузчиков
Лодочные аккумуляторы
Аккумуляторы для колясок
Силовое оборудование
Электрогенераторы
Бензиновые электрогенераторы
Дизельные электрогенераторы
Газовые электрогенераторы
Инверторные электрогенераторы
Сварочные электрогенераторы
Мотопомпы
Бензиновые мотопомпы
Дизельные мотопомпы
Двигатели внутреннего сгорания
Двигатели общего назначения
Двигатели для мотоблоков
Двигатели для электрогенераторов
Двигатели для снегоуборщиков
Двигатели для газонокосилок
Двигатели для триммеров
Электромоторы
Гидродинамические машины
Гидродинамические машины с электрическим двигателем
Автономные гидродинамические машины
Аксессуары и запчасти
Запчасти для моек высокого давления
Ремкомплекты
Пистолеты высокого давления
Пистолеты в сборе
Курки
Запчасти и ремкомплекты
Рукава высокого давления
Катушки высокого давления
Катушки для шлангов
Катушки высокого давления
Катушки для воздушного шланга
Аксессуары для барабанов
Регуляторы давления и клапаны
Байпас
С микровыключателем
Соединение полыми винтами
Zero
Предохранительные клапаны
Обратные клапаны
С пневмоуправлением
Электромагнитные клапаны
Регуляторы оборотов
Прочие
Запчасти
Копья и насадки
Пенные насадки
Пенокомплекты
Турбофрезы
Насадки
В сборе с копьем
Запчасти
Пескоструйные насадки
Насадки для мойки емкостей
Краны
Быстроразъемные соединения
Резьбовые переходники
Форсунки и сопла
Манометры
Фильтры для воды
Гидрокомпенсаторы
Змеевики
Электромоторы
Редукторы
Муфты и колокола
Электрика и датчики
Прочие запчасти для моек высокого давления
Запчасти для пылесосов
Фильтры для пылесосов
Фильтры-мешки
Картриджные фильтры
Корзинные фильтры
Специальные фильтры
Насадки и трубки для пылесосов
Насадки для пола
Щелевые насадки
Круглые насадки
Насадки для мебели
Насадки для моющих пылесосов
Специальные насадки
Удлинительные трубки
Коннекторы и муфты
Сменные элементы
Шланги для пылесосов
Комплекты для пылесосов
Двигатели для пылесосов
Насосы и помпы
Электрика для пылесосов
Прочее
Запчасти для поломоек
Щетки для поломоечных машин
Стяжки и балки
Всасывающие турбины
Пады и держатели
Приводные моторы
Колеса для поломоечных машин
Шланги для поломоечных машин
Прочее
Запчасти для подметальных машин
Щетки
Прочее
Запчасти для пенного оборудования
Пенные пистолеты
Шланги для пеногенераторов
Головные части
Манометры и регуляторы
Форсунки
Сеточки и фильтры
Прочее
Ещё
Моющие средства
Химия для клининга
Общего назначения
Для кухни
Для санитарных зон
Для стекол
Уход за полами
Для химчистки
Средства для поломоечных машин
Спецсредства
Автохимия
Бесконтактная мойка
Воски
Мойка двигателей
Мойка дисков
Полироли для кузова
Ручная мойка
Средства для стекол
Уход за резиной
Уход за салоном
Химчистка
Спецсредства
Клининговое оборудование
Мойки высокого давления
Бытовые минимойки
Профессиональные мойки высокого давления
Мойки высокого давления без нагрева воды
Мойки высокого давления с подогревом воды
Смотреть все
Поломоечные машины
Сетевые поломоечные машины
Аккумуляторные поломоечные машины
Поломоечные машины с сиденьем оператора
Ковромоечные машины
Смотреть все
Подметальные машины
Механические подметальные машины
Аккумуляторные подметальные машины
Подметальные машины с сиденьем
Бензиновые подметальные машины
Профессиональные пылесосы
Пылесосы для сухой уборки
Пылеводососы для сухой и влажной уборки
Моющие (экстракторы) пылесосы
Строительные пылесосы
Смотреть все
Парогенераторы
Бытовые парогенераторы
Профессиональные парогенераторы
Пенное оборудование
Пеногенераторы
Пенные станции
Пенные насадки и пенокомплекты
Пенные инжекторы
Снегоуборщики
Все для автомоек
Пылесосы для автомоек
Экстракторы
Парогенераторы для химчистки
Пеногенераторы для автомоек
Смотреть все
Насосное оборудование
Насосы высокого давления
Плунжерные насосы
Аксиальные насосы
Запчасти для насосов
Мембранные насосы
Мембранные насосы низкого давления
Мембранные насосы среднего давления
Мембранные насосы высокого давления
Узлы управления мембранными насосами
Смотреть все
Центробежные насосы
Дозирующие насосы
Мотопомпы
Бензиновые мотопомпы
Дизельные мотопомпы
Насосные станции
Уборочный инвентарь
Пищевой инвентарь
Щетки
Ёршики
Сгоны
Рукоятки
Смотреть все
Инвентарь для клининга
Тележки
Швабры
Насадки и мопы
Щетки и метлы
Смотреть все
Рукава высокого давления
Шланги высокого давления
Шланги метрами
Шланги в сборе
Шланги для автомоек
Пищевые шланги
Смотреть все
Катушки для шлангов
Катушки высокого давления
Катушки для воздушного шланга
Аксессуары для барабанов
Фитинги высокого давления
Фитинги BSP
Фитинги DKO-L
Фитинги DKO-S
Фитинги JIS
Смотреть все
Аккумуляторы и электроснабжение
Тяговые аккумуляторы
Аккумуляторы для поломоечных машин
Аккумуляторы для гольфкаров
Аккумуляторы для погрузчиков
Лодочные аккумуляторы
Смотреть все
Зарядные устройства
Зарядки для поломоечных машин
Для складской техники
Аккумуляторы для ИБП
Электрический транспорт
Грузовые трициклы
Пассажирские трициклы
Грузовые электротележки
Гольфкары
Электровелосипеды
Электроскутеры
Тяговые аккумуляторы
Аккумуляторы для поломоечных машин
Аккумуляторы для гольфкаров
Аккумуляторы для погрузчиков
Лодочные аккумуляторы
Смотреть все
Силовое оборудование
Электрогенераторы
Бензиновые электрогенераторы
Дизельные электрогенераторы
Газовые электрогенераторы
Инверторные электрогенераторы
Смотреть все
Мотопомпы
Бензиновые мотопомпы
Дизельные мотопомпы
Двигатели внутреннего сгорания
Двигатели общего назначения
Двигатели для мотоблоков
Двигатели для электрогенераторов
Двигатели для снегоуборщиков
Смотреть все
Электромоторы
Гидродинамические машины
Гидродинамические машины с электрическим двигателем
Автономные гидродинамические машины
Аксессуары и запчасти
Запчасти для моек высокого давления
Ремкомплекты
Пистолеты высокого давления
Рукава высокого давления
Катушки высокого давления
Смотреть все
Запчасти для пылесосов
Фильтры для пылесосов
Насадки и трубки для пылесосов
Шланги для пылесосов
Комплекты для пылесосов
Смотреть все
Запчасти для поломоек
Щетки для поломоечных машин
Стяжки и балки
Всасывающие турбины
Пады и держатели
Смотреть все
Запчасти для подметальных машин
Щетки
Прочее
Запчасти для пенного оборудования
Пенные пистолеты
Шланги для пеногенераторов
Головные части
Манометры и регуляторы
Смотреть все
Моющие средства
Химия для клининга
Автохимия
Бытовые минимойки
С забором воды
Недорогие
Для мытья машин
Для мытья велосипедов
Промышленные АВД
Бензиновые промышленные АВД
Стационарные промышленные АВД
Без нагрева воды
Стационарные
С нагревом воды
Автономные
Бензиновые
Дизельные
Гидродинамические машины
Автономные
С электродвигателем
Бойлеры высокого давления
Аксессуары и запчасти
Ремкомплекты
Пистолеты для АВД
Регуляторы высокого давления
Рукава высокого давления
Копья и насадки высокого давления
Пенные насадки
Пенокомплекты
Грязевые фрезы
Пескоструйные насадки
Насадки для мойки емкостей
Смотреть все
Тип
Сетевые поломоечные машины
Аккумуляторные поломоечные машины
С сиденьем оператора
Роботизированные
Ручные
Самоходные
Бензиновые
Дизельные
Назначение
Для чистки ковров
Для чистки эскалаторов
Для склада
Для дома
Для производств
Однодисковые
Низкооборотистые
Высокооборотистые
Двухскоростные
Аксессуары и дополнения
Щетки
Резинки
Средства для мытья полов
Бренд
Karcher
Lavor
Portotecnica
Cleanfix
Comet
МЕТЛАНА
Santoemma
KEDI
TOR
Bennett
Пылесосы для сухой уборки
Пылеводососы для сухой и влажной уборки
Моющие (экстракторы) пылесосы
Строительные пылесосы
Пылесосы для электроинструмента
Промышленные пылесосы
Паровые пылесосы
Ранцевые пылесосы
Щеточные пылесосы
Пылесосы-стеклоочистители
Садовые пылесосы
Тип
Плунжерные насосы высокого давления
Аксиальные насосы высокого давления
Назначение
Для коммунальных машин
Для горячей воды
Для гидромоторов
Для агрессивных химикатов
Рабочее давление
200 бар
250 бар
300 бар
500 бар
1000 бар
Бренд
Bertolini
UDOR
Mazzoni
TOR
Comet
Interpump
Annovi Reverberi
HAWK
Portotecnica
HPP
Запчасти для насосов высокого давления
Головочные части помпы
Клапаны насоса высокого давления
Сальники плунжерного насоса
Керамические плунжеры для насоса высокого давления
Шланги метрами
Шланги в сборе
Шланги для автомоек
Пищевые шланги
Шланги для Karcher
Шланги для моек самообслуживания
Шланги для канализации
Шланги гайка-гайка
Аксессуары для шлангов
Аккумуляторы для поломоечных машин
Аккумуляторы для гольфкаров
Аккумуляторы для погрузчиков
Лодочные аккумуляторы
Аккумуляторы для колясок
Щетки
Ёршики
Сгоны
Рукоятки
ПАДы и держатели
Ведра и ковши
Совки
Скребки
Лопаты
Мешалки и весла
Системы хранения
Шланги и пистолеты
Спецодежда
Прочее
Каталог
0
0
0
Главная
Насосы высокого давления
Насосы высокого давления Bertolini
Насосы высокого давления Bertolini
Плунжерные насосы
873
Аксиальные насосы
54
Запчасти для насосов
604
Бренды:
Bertolini
UDOR
Mazzoni
TOR
Comet
Interpump
Annovi Reverberi
HAWK
Portotecnica
HPP
Часто ищут:
для коммунальных машин
для горячей воды
для гидромоторов
200 бар
250 бар
300 бар
500 бар
1000 бар
Дата добавления (По убыванию)
Название (По возрастанию)
Цена (По возрастанию)
Хиты продаж (По убыванию)
Хиты продаж (По возрастанию)
Оценка покупателей (По убыванию)
В наличии (По убыванию)
Хиты продаж
Дата добавления
Название
Цена
Хиты продаж
Хиты продаж
Оценка
покупателей
В наличии
Bertolini
Сбросить фильтры
67 230
₽
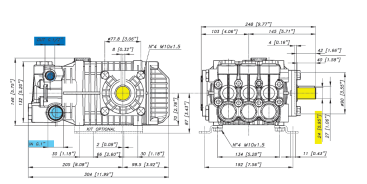
Насос высокого давления Bertolini TML 3016 (1450 об/мин)
В наличии
1
1
В корзину
212 090
₽
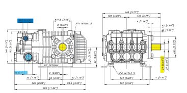
Насос высокого давления Bertolini RX 2350 (1450 об/мин)
В наличии
1
1
В корзину
43 460
₽
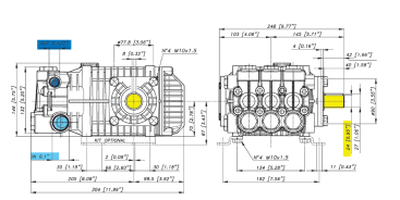
Насос высокого давления Bertolini WJC U 710 (1450 об/мин)
В наличии
1
1
В корзину
9 060
₽
Ремкомплект Bertolini KIT307 (упл. плунжеров, TML3016)
В наличии
1
1
В корзину
43 460
₽
Насос высокого давления Bertolini WJC U 210 (1450 об/мин)
В наличии
1
1
В корзину
43 460
₽
Насос высокого давления Bertolini WJC U 410 (1450 об/мин)
В наличии
1
1
В корзину
35 670
₽
Насос высокого давления Bertolini WBL 1016 (1450 об/мин)
В наличии
1
1
В корзину
48 510
₽
Насос высокого давления Bertolini TML 1520-В (1450 об/мин)
В наличии
1
1
В корзину
35 670
₽
Насос высокого давления Bertolini WBL 816 (1450 об/мин)
В наличии
1
1
В корзину
4 560
₽
Ремкомплект клапанов Bertolini KIT123 (для TM/RAL)
В наличии
1
1
В корзину
12 370
₽
Крышка Bertolini (PA/S/PBO 1100-1540VD, задняя, вход.)
В наличии
1
1
В корзину
8 530
₽
Ремкомплект Bertolini KIT179 (упл. плунжеров, TML XX28HP)
В наличии
1
1
В корзину
8 140
₽
Крышка демпфера Bertolini (PA/S/PBO 124-1540)
В наличии
1
1
В корзину
8 320
₽
Крышка демпфера Bertolini (PA/S/PBO 11-1250)
В наличии
1
1
В корзину
9 460
₽
Ремкомплект Bertolini KIT184 (упл. плунжеров, C 75)
В наличии
1
1
В корзину
5 700
₽
Ремкомплект Bertolini KIT12 (упл. плунжеров, WB/WM)
В наличии
1
1
В корзину
5 700
₽
Ремкомплект Bertolini KIT74 (упл. плунжеров, TMG/TML-F)
В наличии
1
1
В корзину
4 210
₽
Ремкомплект Bertolini KIT63-S (клапанный набор, WMC)
В наличии
1
1
В корзину
1 386 540
₽
Насос высокого давления Bertolini CHX 21-1000 (1000 об/мин)
В наличии
1
1
В корзину
110 310
₽
Насос высокого давления Bertolini KKL 3021 (1450 об/мин)
В наличии
1
1
В корзину
110 310
₽
Насос высокого давления Bertolini KKL 3316 (1450 об/мин)
В наличии
1
1
В корзину
110 310
₽
Насос высокого давления Bertolini KKL 3816 (1450 об/мин)
В наличии
1
1
В корзину
110 310
₽
Насос высокого давления Bertolini KKL 4216 (1450 об/мин)
В наличии
1
1
В корзину
118 960
₽
Насос высокого давления Bertolini KKL 4816 (1450 об/мин)
В наличии
1
1
В корзину
212 090
₽
Насос высокого давления Bertolini RX 1950 (1450 об/мин)
В наличии
1
1
В корзину
212 090
₽
Насос высокого давления Bertolini RX 3050 (1450 об/мин)
В наличии
1
1
В корзину
43 460
₽
Насос высокого давления Bertolini WJC U 110 (1450 об/мин)
В наличии
1
1
В корзину
62 060
₽
Насос высокого давления Bertolini TMG 3535 (3450 об/мин. бензо)
В наличии
1
1
В корзину
71 680
₽
Насос высокого давления Bertolini TMG 3555 (3450 об/мин. бензо)
В наличии
1
1
В корзину
62 060
₽
Насос высокого давления Bertolini TMG 4040 (3450 об/мин. бензо)
В наличии
1
1
В корзину
60 830
₽
Насос высокого давления Bertolini WMC 1317 (1450 об/мин)
В наличии
1
1
В корзину
42 660
₽
Насос высокого давления Bertolini WML 1520-F (2800 об/мин)
В наличии
1
1
В корзину
49 610
₽
Насос высокого давления Bertolini TML 1220-B (1450 об/мин)
В наличии
1
1
В корзину
49 610
₽
Насос высокого давления Bertolini TML 1320-B (1450 об/мин)
В наличии
1
1
В корзину
64 210
₽
Насос высокого давления Bertolini TML 1528-HP (1450 об/мин)
В наличии
1
1
В корзину
72 830
₽
Насос высокого давления Bertolini TML 1528-HW (1450 об/мин, гор. вода)
В наличии
1
1
В корзину
49 610
₽
Насос высокого давления Bertolini TML 1720-B (1450 об/мин)
В наличии
1
1
В корзину
49 610
₽
Насос высокого давления Bertolini TML 2020-B (1450 об/мин)
В наличии
1
1
В корзину
64 210
₽
Насос высокого давления Bertolini TML 2028-НР (1450 об/мин)
В наличии
1
1
В корзину
64 350
₽
Насос высокого давления Bertolini TML 2420-BR (1450 об/мин)
В наличии
1
1
В корзину
Показать все
1
2
...
11