Насосы высокого давления для воды начинают свою историю с 1950 года, когда был произведен первый серийный аппарат высокого давления всемирно известным брендом Karcher. Изобретателем помпы высокого давления для воды был Альфред Керхер. К 1980-у году его компания концентрируется на производстве моечной техники и на выходе на глобальный рынок. Масштабное распространение автомоек стало толчком для развития промышленного производства водяных насосов высокого давления по всему земному шару.
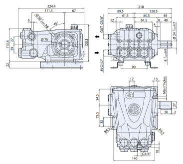
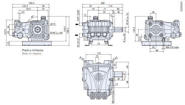
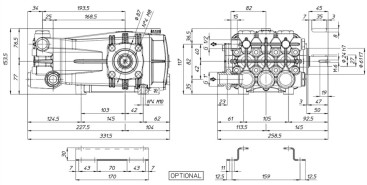
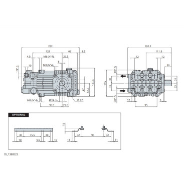
Сердцем любого аппарата высокого давления, как бытового, так и индустриального, является водяная помпа. Большинство серийных АВД комплектуются стандартными насосами, предназначенными для работы с холодной (до 50 градусов С) и пресной водой. Помимо стандартных, можно купить насосы высокого давления для воды в специальном исполнении:
- никелированное покрытие головной проточной части. Покрытие позволяет прокачивать через химически активные растворы (например раствор воды и бесконтактного моющего средства);
- для горячей воды. Насосы комплектуются специальными температуростойкими уплотнениями, которые позволяют перекачивать под давление воду до 85 градусов С.
- головная часть из нержавеющей стали. Применяется для пищевой мойки;
- для морской воды. Помпы комплектуются специальными уплотнениями, которые позволяют перекачивать под высоким давление соленую морскую воду;












































































