PRO консультанты
Профессиональный подбор оборудования и аксессуаров
Большой ассортимент
Клинингового оборудования, аксессуаров и запчастей
Сервисная служба
Сервис и обслуживание по всей России
Доставка по России
Доставляем по России - оперативно в любую точку
Описание
Отзывы
Описание
Насос с тремя самосмазывающимися керамическими плунжерами Bertolini СK 120 P. Это улучшенный поршневой насос обеспечивает возможность для высокого уровня проектирования, эффективности и производительности. Идеально подходят для сельскохозяйственной промышленности. Превосходная конструкция, высокое качество материалов, инновационные технологические решения (патент Bertolini) обеспечивают эффективный и долгий срок службы всех компонентов и простоту обслуживания.
Особенности:
- Роликовые подшипники ведущих брендов для всех условий работы;
- Шатуны из двух частей центрирования на эксцентричные из сплава Tonolli 328 или сплава бронзы, постоянно снижает эффект трения и износа от перегрева;
- Картер из отлитого под давлением алюминия с характеристиками высокой коррозионной стойкостью и покрыты анодированием против коррозии;
- Самосмазывающие втулки антифрикционные запатентованная PTFE уменьшают трение и обеспечивают работоспособность для осуществления непрерывной прогрессии;
- Двойное уплотнение "V" самосмазывающиеся из усиленного эластомера, который оптимизирует продолжительность;
- Поршни из интегральной керамики высококачественной отделкой поверхности;
- Всасывающие и выходные клапаны из нержавеющей стали с высокой объемной эффективностью и максимальной мощностью всасывания;
- Задняя крышка сделана из специальных форм чтобы увеличить количество масла в картере и улучшения смазки;
- Вилки шатунов самоблокирующиеся;
- Насос оснащен эксклюзивной и запатентованной системой охлаждения картера;
- Проток воды в головке обеспечивает эффективное охлаждение масла в картере.
Документация
Характеристики
Общие хар-ки
Бренд
Страна бренда
Италия
Гарантия
1 год
Тип насоса
плунжерный
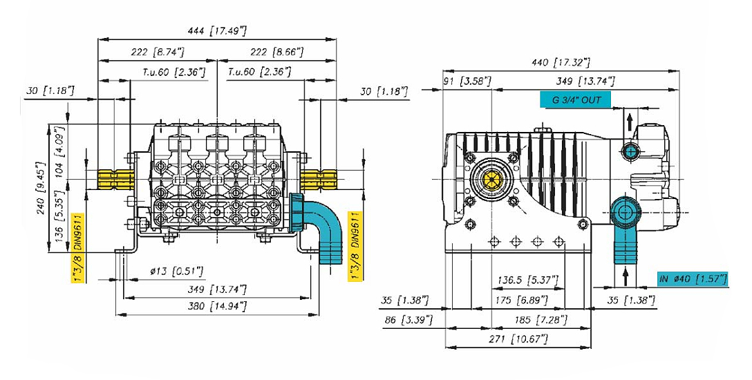
Габариты, ДхШхВ
441 × 370 × 240 мм
Вес
33 кг
Материал
алюминий
Диаметр вала насоса
1"⅜
Технические хар-ки
Рабочее давление (бар)
70
Частота вращения вала (об/мин)
550
Поток воды (л/час)
7200
Максимальная температура воды на входе (С°)
65
Мощность привода
15 кВт
Тип вала насоса
внешний шлицевой
Сторона выхода вала
двусторонний
Встроенный регулятор
нет
Подключение (вход)
40 мм елочка
Подключение (выход)
3/4" внутр
Отзывов ещё нет — ваш может стать первым.
Все отзывы 0
Подборки товаров в категории











