PRO консультанты
Профессиональный подбор оборудования и аксессуаров
Большой ассортимент
Клинингового оборудования, аксессуаров и запчастей
Сервисная служба
Сервис и обслуживание по всей России
Доставка по России
Доставляем по России - оперативно в любую точку
Описание
Отзывы
Описание
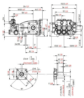
Поршневой насос высокого давления - промышленного класса использования, разработан для тяжелых условий эксплуатации, повышенных нагрузок и длительного непрерывного использования: Профессиональные автомоечные комплексы со большой "проходимостью", сервисные центры, средние и крупные автопарки и т.п. Идеально подходит для автомоечных комплексов самообслуживания.
Предназначен для установки на аппараты высокого давления с эл. двигателями от 5,5 до 7,5 кВт.
Особенности:
- Поршни - стальные, с керамическими вставками, приводимые в движение кривошипно-шатунным механизмом
- Шатуны - выполнены из специального сплава Цинка и алюминия с низким коэффициентом трения
- Головная часть насоса - латунь
- Корпус насоса – выполнен из алюминия, оснащен заливной и словной горловинами и указателем уровня масла на боковой крышке
Характеристики
Общие хар-ки
Бренд
Страна бренда
Италия
Гарантия
12 мес
Тип насоса
плунжерный
Габариты, ДхШхВ
298 × 242 × 140 мм
Вес
14 кг
Материал
алюминий
Диаметр вала насоса
24 мм
Технические хар-ки
Тип привода насоса
без привода
Рабочее давление (бар)
280
Частота вращения вала (об/мин)
1450
Поток воды (л/час)
900
Максимальная температура воды на входе (С°)
60
Мощность привода
5.5 кВт
Тип вала насоса
внешний гладкий
Сторона выхода вала
правый
Подключение (вход)
1/2" внутр
Подключение (выход)
3/8" внутр
Отзывов ещё нет — ваш может стать первым.
Все отзывы 0
Подборки товаров в категории















