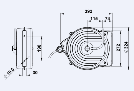
Барабан FAICOM MGP 20081 - отличное решение для хранения и удобной работы с пневматическими шлангами. Рабочий диапазон давления - 0-20 бар. Пропускная способность - 750 л/мин.
Вместимость барабана - 15 м, типоразмер шланга 8х12.
Катушка изготовлена из высокопрочного нейлона и полипропилена. Материал не подвержен коррозии, отличается отличными рабочими характеристиками и низким весом. Может быть использована везде, где применяется сжатый воздух: автосервисы, автомойки, детейлинг центры, производственные и сборочные цеха и прочее.
Механизм намотки шланга - инерционный или автоматический с пружинным приводом. Намотка шланга на барабан происходит за счет энергии сжатой во время разматывания пружины. Самый распространенный тип привода: обеспечивает максимальное удобство работы, надежный и неприхотливый. Рекомендуем данную конструкцию, если стоит задача увеличения производительности труда, особенно при частом использовании или при работе в сложных условиях.
Преимущества использования барабанов
- Безопасность труда;
- Безопасное, гигиеничное и защищенное хранение шланга;
- Комфортная работа персонала: можно вытянуть шланг на необходимую длину, шланг не перекручивается при работе;
- Увеличение производительности труда и, как следствие, экономия рабочего времени и денег предприятия;
Область применения
- Автосервисы и ремонтные зоны;
- Автомойки;
- Машиностроение;
- Строительство;
- Пищевая промышленность;
- Рестораны и гостиницы;
- Авиация;
- Обслуживание воздушных судов;
- Горнодобывающая промышленность;
- Сельское хозяйство;
- Барабан закрытого типа;
- Пневматический шланг 1/4" - 15м;
- Поворотный кронштейн.



