Насосы высокого давления для воды начинают свою историю с 1950 года, когда был произведен первый серийный аппарат высокого давления всемирно известным брендом Karcher. Изобретателем помпы высокого давления для воды был Альфред Керхер. К 1980-у году его компания концентрируется на производстве моечной техники и на выходе на глобальный рынок. Масштабное распространение автомоек стало толчком для развития промышленного производства водяных насосов высокого давления по всему земному шару.
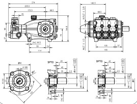
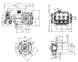
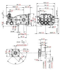
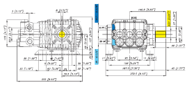
Сердцем любого аппарата высокого давления, как бытового, так и индустриального, является водяная помпа. Большинство серийных АВД комплектуются стандартными насосами, предназначенными для работы с холодной (до 50 градусов С) и пресной водой. Помимо стандартных, можно купить насосы высокого давления для воды в специальном исполнении:
- никелированное покрытие головной проточной части. Покрытие позволяет прокачивать через химически активные растворы (например раствор воды и бесконтактного моющего средства);
- для горячей воды. Насосы комплектуются специальными температуростойкими уплотнениями, которые позволяют перекачивать под давление воду до 85 градусов С.
- головная часть из нержавеющей стали. Применяется для пищевой мойки;
- для морской воды. Помпы комплектуются специальными уплотнениями, которые позволяют перекачивать под высоким давление соленую морскую воду;
Популярные вопросы про насосы высокого давления
Где купить насос высокого давления для воды❓
Купить насос высокого давления для воды в Москве можно по адресу нашего офиса и склада - г.Екатеринбург, Черняховского, 86. В нашем интернет-магазине представлены качественные помпы высокого давления, большой выбор моделей, запчасти и расходные материалы.
Если Вы планируете приобрести насос высокого давления самовывозом с нашего склада, просьба предварительно уточнить наличие товара и согласовать время приезда.
Как выбрать насос высокого давления для воды❓
Выбор насоса высокого давления может происходить по двум основным сценариям:
- Замена изношенной помпы;
- Подбор насоса для конкретного мотора;
В первом случае рекомендуем прислать фото заводской маркировки или точное название старой помпы высокого давления. По этой информации мы подберем аналогичный насос или предложим подходящую замену.
Во втором случае необходимо знать характеристики двигателя - мощность, частота вращения вала, тип вала и его типоразмер, тип и размер установочного фланца двигателя. Вы можете прислать заводскую маркировку мотора, наши специалисты самостоятельно определят необходимые параметры. Исходя из этих данных, предложим подходящие модели насосов высокого давления из нашего ассортимента.
Помпу высокого давления для воды какого бренда выбрать❓
Насосы высокого давления для воды - высокотехнологичные изделия. Качество этих узлов напрямую зависит от опыта завода-производителя и надежности комплектующих. Поэтому лучше выбирать помпы известных брендов, специализирующихся на их производстве и хорошо зарекомендовавших себя на рынке, таких как:
Помимо широкого выбора брендов помп высокого давления, в нашем интернет-магазине можно купить насосы с различными техническими характеристиками, конструктивным исполнением, в комплекте с регулятором давления и без.




























































































