Мембранный насос марки Annovi Reverberi серия BP насос с двумя гидравлическими мембранами применяется для перекачивания жидкостей на низком давлении. Детали контактирующие с перекачиваемыми жидкостями выполнены из армированного полипропилена и нержавеющей стали AISI 303/304.
Мембраны BlueFlex™ и уплотнения выполнены из материала NBR.
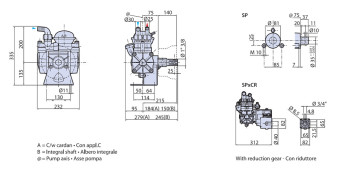
Корпус насоса выполнен по технологии литья под давлением, с установленной механической частью насоса в масляной ванне, оснащен резервуаром из прозрачного пластика для визуального контроля уровня масла. Поршни оснащены специальным сегментом для повышения эффективности ”масляной подушки" системы защиты мембраны. Клапаны со сферическим профилем, обеспечивающее меньшее сопротивление прохождению жидкости и улучшают объемную производительность.
Поставляется с гидро-пневматическим демпфером позволяющим обеспечить высокую равномерность работы и снизить пульсации.
По запросу комплектуется набором для установки дополнительного масляного бака.
Пробка для слива масла.
Опоры насоса крепятся к картеру насоса.
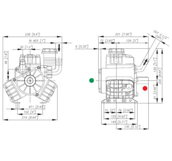
Оснащен защитной пластиковой крышкой для кардана.


























